
5PCS Edge Lit LED Modules – 300mm
Lighting Source: 5pcs LEDs
IP grade: IP 20
Power: 15.0W±10%
Luminous flux: 1500Lm±10%
Beam angle: 13°×39°
Installation: Mounted on metal frame of lighting boxes edge.
Application: Specially used in lighting box edge lit .
Features:
a): Wholesale edge lit led modules 300mm using new technology design lens, lighting emitted from the edges of light boxes with wide beam angle that affects much more efficient light transmittance than normal type, fashionable shape make this led edge lit enjoy great popularity in light boxes edge lighting applications;
b): This light box edge lights 300mm adopts superior quality aluminum material, featured with only 23mm width, ideal for super slim light box decoration, such as 50mm light boxes edge lit, it will brings pretty excellent illuminating effects, Suitable for illumination of light box, both single side & double sided;
c): Excellent performance led edge lighting 300mm is completely low heat design with low operating voltage, the requirement for heat-resistant is not high, actually energy saving and environment-friendly, perfect for edge-lit illuminated light box and signs;
d): Great quality light box edge lights is energy saving with lower power consumption than other traditional lighting boxes lighting, generate the same luminance only with 6% power consumption as traditional lamps, and make it can last a long life span;
e): Our high power LED edge lighting affects lower cost against high performance, good color uniformity, also has no requirement for reflector, less depth of lamps, and concentrated beam, easy to control, which makes the graphic or information of light box more obvious and attractive;
f): Easy installation of our light box edge lights 300mm with screws hole on the lights, screws and other accessories come with LED edge lighting, easy installation by mounting on metal frame of lighting boxes edge side, this high power led edge lighting modules lit without delay, fast response, and have strong anti-vibration capability;
Application:
The edge lit led modules 300mm can emitting with high purity, without lamp filter, New lens design LED module as a 5pcs high power led edge lighting, Fashionable appearance and excellent technology make this LED edge lighting widely used in edge-lit illuminated lighting box and signs.
Attach components:
(1): Screws;
(2): 3 kinds of connect wire optional;
Great quality edge lit led modules 300mm from 5 Star Lighting Factory!
LED Edge lit Module lights for single / double sided lightbox display
| Our 5 Star light boxes edge-lit led modules series as following : | |||||||
| Item No. | Type | Size | Lumen | Input Voltage | Power Consumption | LED Qty | Brand |
| 5L-24V-RGB-360-5 | RGB | 360×23×13.4mm | 500 | 24 | 15 | 5 | CREE |
| 5L-12V-Osram-70-1 | WW / CW | 70×37×19.9mm | 300 | 12 | 4 | 1 | Genesis |
| 5L-24V-Osram-200-3 | 200×23×13.4mm | 900 | 24 | 9 | 5 | OSRAM | |
| 5L-24V-Osram-300-5 | 300×23×13.4mm | 1500 | 24 | 15 | 5 | ||
| 5L-24V-Osram-360-5 | 360×23×13.4mm | 1500 | 24 | 15 | 5 | ||
| 5L-24V-Osram-470-9 | 470×23×13.4mm | 2700 | 24 | 27 | 9 | ||
| 5L-24V-Osram-600-5 | 600×23×13.4mm | 1500 | 24 | 15 | 5 | ||
| 5L-24V-IP65-Waterproof | L×23×13.4mm | / | 24 | / | / | ||
| Brief Descriptions: | |
| Edge lit led modules 300mm, 5pcs, High power light boxes led edge lighting, and perfect for advertising light boxes edge lit usage. | |
| Item type | Light Boxes Edge Lighting |
| Electrical and optical parameter | |
| Model number: | Edge-lit-led-modules-13-39-300mm |
| Item color: | White |
| Materials: | Aluminum materials |
| LED quantity: | 5 pcs Osram LEDs |
| LED compound mode: | 1 cascade |
| Lamp bead (center) spacing: | 80mm |
| Power consumption: | 15.0W±10% |
| Luminous flux: | 1500Lm±10% |
| Limited voltage: | DC24V±0.5V |
| LED current: | 620mA±10% |
| Working environment: | -20-50℃ 30%-70% |
| Storage condition: | -20-70℃ 30%-70% |
| Beam angle: | 13°×39° |
| IP grade: | IP 65 |
| Light appearance(CCT): | 2800-3000K (warm white) 6300-7000K (white) |
| Warranty: | 2 years |
| Applications: | Specially used in lighting box decoration. |
| Installation: | Mounted on metal frame of lighting boxes edge. |
| Packing Dimensions : 2pcs in one box | |
| Unit light size(Inch): | 11.81 Inch (L) x 0.91 Inch (W) x 0.46 Inch (H) 300 (mm) x 23 (mm) x 11.7 (mm) |
| Interior box dimension (Inch): | 17.72 Inch (L) x 1.06 Inch (W) x 1.26 Inch (H) 450 (mm) x 27 (mm) x 32 (mm) |
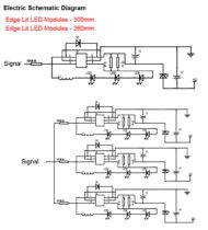
Installation method of the LED edge lighting with switch power kits
The LED edge lighting is energy saving, long life, safe, usually used in light box display.
A、The installation before the preparation tool:
1, Light Boxes Edge Lighting;
2, Switch Power Supply: AC110V/220V electricity into a safe DC voltage DC24V;
B、The installation of preparatory work:
1, please try the power and each rigid light bar to determine the damage is not in transit;
2, the installation process to be careful to avoid light boxes edge lighting wire pull off.
C、The installation process
Step1, according to the switch power supply of the above tips, with each cable connection in the correct position. Power cord connection power supply of the positive, negative and ground, the light boxes edge lighting to connect its positive and negative (LED itself is a diode, DC drive, so there are positive and negative, if the positive and negative reverse, in an insulated state, The light will not light.)
Step 2, if need 2pcs or even more lighting modules, can be two docking between them.
Step 3, the edge lights has two specially set holes, with the clip lock it, can make the rigid lighting in the light box fixed.
Step 4, The Plug into electric power.After turn on the power, check the indicator lights of power adapter working in normal status, indicator lights will keep on that is normal.
D、Common problems and solutions:
1, if the light is not bright, please check whether the circuit is connected, poor contact or LED rigid Lighting positive and negative reverse.
2, light bar brightness is low, please check the power supply rated power is less than the LED Edge Lighting power, or connect the wire is too small, resulting in connecting wire power consumption is too large.
Above is the installation of the common sense of rigid lights, this article from the installation of the required materials to prepare, and combined with a number of led edge lights installed diagram, I believe read this article, everyone will not be its installation problems and distress.
Installation instructions for light Box display lights
For Power Consumption is below 200 Watts per display lighting box,
One whole edge lighting kits with Osram bulbs inside ,
More details for one set list , kindly check >>> https://www.5lighting.com/edge-lit-module-lights-for-octanorm-light-boxes
You also can choosing following quick installation method:
(1)Step 1:
Connect the 1-2 connecting wire and power adapter;
It's one to two way spliter,
One goes from upper display light box aluminium extrusion and
The other goes to lower.
Lights will be paralleled in array.
(2) Step 2,
Connect two edge lighting modules with the 1-2 connecting wire,like photo shows:
(3) Step 3,
if need 2 pcs or even more lighting modules, can be two docking between them.
(4)Step 4,
the edge lights has two specially set holes, with the clip lock it, can make the ridge lighting in the light box fixed.
(5)Step 5:
The Plug into electric power.After turn on the power, check the indicator lights of power adapter working in normal status, indicator lights will keep on that is normal.
Edge lighting installation for light boxes display with DC connectors
For Switch power kits, the following is another connection with DC 5.5 X 2.1 connectors for led edge lights .
Step 1, according to the switch power supply of the above tips, with each cable connection in the correct position. Power cord connection power supply of the positive, negative and ground, the light boxes edge lighting to connect its positive and negative,if the positive and negative reverse in an insulated state, the light will not light.)



Step 2,
DC 5.5 X 2.1 Female Connect switch power supply with the 2 connecting wire,like photo shows:



Step 3,Connecting two edge lighting modules with the 1-2 connecting wire, as follow:



Step 4, if need 2 pcs or even more lighting modules, can be two docking between them;
Step 5,the edge lights has two specially set holes, with the clip lock it, can make the ridge lighting in the light box fixed.
Step 5, the Plug into electric power.After turn on the power, check the indicator lights of power adapter working in normal status,
indicator lights will keep on that is normal.

SEG light box edgelit lighting factory
Super bright Osram SEG graphic light boxes display lights factory direct .
With more than 10 years experience in trade show and exhibition industry , we aim to manufacture perfect edge /
back lights for new-trend SEG fabric light boxes .
Our Osram edge lights can well match any sizes of SEG light boxes, portable and quick installing tooless .
Advantages of edge lighting kit for SEG fabric light boxes :
- Super bright led edge lit bars ;
- Suitable for both single / double sided lightboxes ;
- Osram 3 W led chip, DC 24V input ;
- Continuous seemless even lights with our special lens ;
- Modular connection for quick install / uninstall in one minutes ;
Welcome to buy our seg lightbox LED lights from 5 Star Lighting Factory with cost-saving , no glare, economic
shipping, fast delivery service .
Edge lit Module LED for Light Boxes Display
Edge lights for led light boxes display
Edge-lit led modules can bring new experience for light box frame display .
Our osram edge lights with super brightness and evenly illuminating can enhance beautiful graphics .
- suitable for both single / double sided lightbox display ;
- No dark and spots ;
- 3 years warranty ;
- 24V low voltage, optical lens led units for fabric displayed ;
- Our edge lit light boxes can be used for retail / shop / mall / airport displays ;
Factory direct edge LED lights for single / double-sided light box display, the message printing can be
changed versatility, great portable for movement, large size potential, easy for clean and storage, seamless
appearance .
Welcome to purchase our edge-lit led lights or whole fabric light boxes to attract attentions of passerby
audiences .
Need 300 units of Osram edge lit module for light box display 300-5 leds
Cost for 200 of these edgelit module lights
Hi,
Would you be able to give me a cost for 200 of these edgelit module lights along with shipping to the UK?
We are bidding a lightbox display job we are quoting on,
and we will also have several exhibition projects for future days if your offer is good.
Many thanks
Eddie Harragan
Hi Eddie
Appreciated for inquiry about out led edge-lit lights.
As per 300 length edgelit module lighting you select,
our factory price & TNT/UPS express is replied by email.
Thank you !
Have a nice day.
Hot sale Osram edge lit led modules 300 mm released
Strong recommend our new Osram edge-lit led modules 12" Click to view > >
Color spectrum chart for 12" Osram edge-lit led modules for light box
Technical spectra data for Osram edge-lit led modules 12" Click to view > >
Looking for qualified edge lighting for your light boxes?
Click to view > New lens Edge Lit LED Modules , ideal for light boxes display lighting scenes.
Can our LED Edge Lighting for lightboxes Dimmable ?
Yes, Click to view for our Dimmable function lights >>
In need of some replacement edge lit LED’s for a lightbox
Hello,
We are in need of some replacement edgelit LED’s for a poster box here in Canada.
We need (10) of the units of led lights. Is that something you can help me with?
Input: DC22V - 27V
MAX: 22W/Bar
Must install this light on heat sink or metal body to operate.
Do you accept credit cards?
Also what is the turn around time please?
Thanks,
Travis Wright
Hi Mr. Travis
Appreciated for inquiry about our led edge lights.
The paypal have credit card option, just login www.paypal.com and create an account for your own.
Around 5-7 days' producing time.
The factory price for our 300mm(12") length model;
The fedex express cost ;
5% PAYPAL charge ;
You can check email I quote.
Thank you !
Five Star Lighting Factory
Osram LED edge lighting for SEG light boxes and more ... weekly feed
Osram edge lights for SEG light boxes with featured
Spectrum Test Report for Edge-lit strip lights 300mm
Light boxes Strip Lights Spectrum Report for Osram version 300mm in length, 5 LED bulbs
| Spectrum Test Report | |||||||
| Spectrum 1.2 | |||||||
| 1.0 | |||||||
| 1.0=48.583mW/nm | |||||||
| CIE1931 EVERFINE | |||||||
| x = 0.3182 y = 0.3292 | |||||||
| Tc = 6209K | |||||||
| 0.8 | |||||||
| 0.6 | |||||||
| 0.4 | |||||||
| 0.2 | |||||||
| 0.0 | |||||||
| 380 480 580 680 780 | |||||||
| Wavelength(nm) | |||||||
| Color Parameters: | |||||||
| Chromaticity Coordinate:x=0.3182 y=0.3292/u'=0.2016 v'=0.4693 Tc=6209K(Duv=0.0006) Dominant WL:Ld =488.2nm Purity=5.4% | |||||||
| Red Ratio:R=14.2% Peak WL:Lp=445.1nm | HWL:Lhd=22.2nm | ||||||
| Render Index:Ra=74.0 | |||||||
| R1 =74 R2 =76 R3 =77 R4 =76 | R5 =75 R6 =69 | R7 =80 | |||||
| R8 =64 R9 =0 R10=43 R11=77 | R12=51 R13=73 | R14=87 R15=69 | |||||
| Photo Parameters: | |||||||
| Flux = 1427 lm Eff. : 95.12 lm/W Fe = 4.542 W | |||||||
| Electrical parameters: | |||||||
| V = 24.00 V I = 0.6252 A P = 15.01 W PF = 1.000 | |||||||
| LEVEL:OUT WHITE:ANSI_6500K | |||||||
| Status: Integral T = 34 ms Ip = 54527 (83%) | |||||||
| Model:5L-W23-OSRAM-300-5 Number:1 | |||||||
| Tester:GE Date:2018-08-01 | |||||||
| Temperature:25.3Deg Humidity:65.0% | |||||||
| Manufactory:5 Star Lighting Factory Remarks: | |||||||















































